Automated Measuring System

Profesionálne riešenie optického merania

Automatický merací systém (AMS) slúži na bezkontaktné optické meranie geometrických parametrov objektov. Je to otvorený systém, ktorý je možné rozširovať a upravovať podľa potrieb konkrétnej aplikácie. Užívateľ má k dispozícii nástroje pre detekciu objektov v obraze a definovanie rozmerových parametrov vrátane tolerancií. Schéma – recept sa vytvorí iba raz, pri zadávaní nového výrobku do systému. Opakovane sa automaticky vyvolá pri dávkových meraniach v laboratóriu alebo na dopravníku v závislosti od konkrétnej implementácie. Tvorba nového receptu nevyžaduje znalosť programovania. Recept sa tvorí drag and drop presunom nástroja do merania. Samozrejmosťou je reportovacia služba, keďže systém eviduje presné údaje o každom jednom meraní vrátane archivačných obrázkov.

AMS Designer
Slúži na definovanie meracích šablón. Šablóna sa skladá zo sady meracích nástrojov, ktoré vyhodnocujú potrebné geometrické a iné parametre meraného výrobku.

AMS Statistic
Nadstavbový modul, ktorý slúži na spracovanie databázy údajov o meraniach a generovanie štatistických protokolov o výrobe za rôzne obdobia.

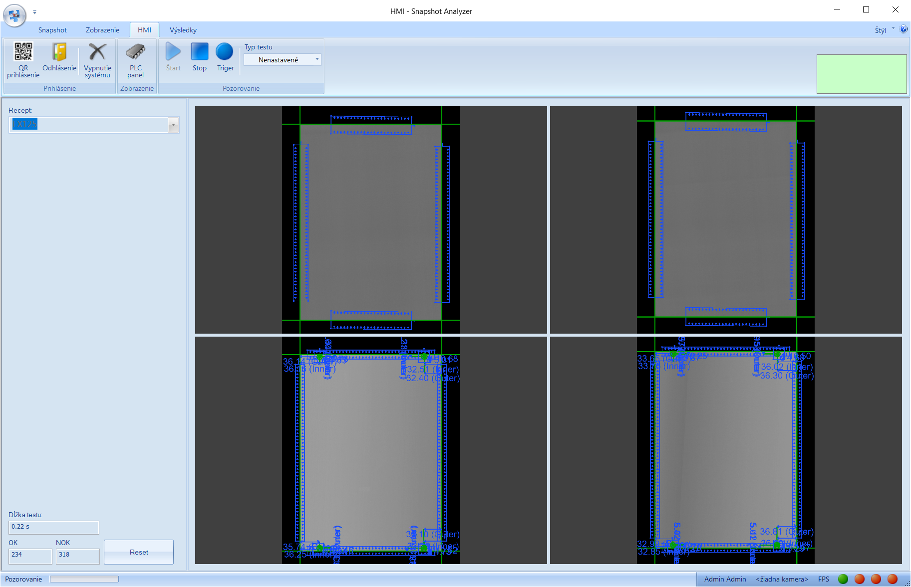
AMS Inspector
Základný modul celej aplikácie. S použitím nadefinovanej šablóny z AMS Designeru umožňuje sériové meranie výrobkov. Modul vytvára základný protokol o meraní na konci každej meranej dávky a tiež databázu údajov na neskoršie spracovanie.

Špeciálne aplikácie AMS

  • Otvorená architektúra systému AMS umožňuje jednoduché rozšírenie jeho funkcionality
  • Rozšírenie jeho funkcionality
  • Špeciálne meracie nástroje
  • Napojenie na externé meracie zariadenia
  • Tlačové protokoly presne podľa požiadaviek zákazníka
  • Implementácia sieťovej verzie AMS v rámci celej výrobnej prevádzky

AMS Online Inspector
Systém AMS je rozšíriteľný aj na automatické meranie priamo na výrobných linkách. Takáto aplikácia si vyžaduje spracovanie celkového projektu vrátane mechanických prispôsobení samotných výrobných liniek.

AMS Online Inspector je možné doplniť aj o vzhľadovú kontrolu výrobkov, prípadne napojiť na vstupy z iných meracích zariadení a vytvoriť tak komplexný systém merania kontroly kvality a triedenia výrobkov.